YZII Series Peristaltic Pump Heads | Flow rates up to 3000 mL/min
Peristaltic pump heads with linkage mechanism for high flow rates and fast tubing changes.
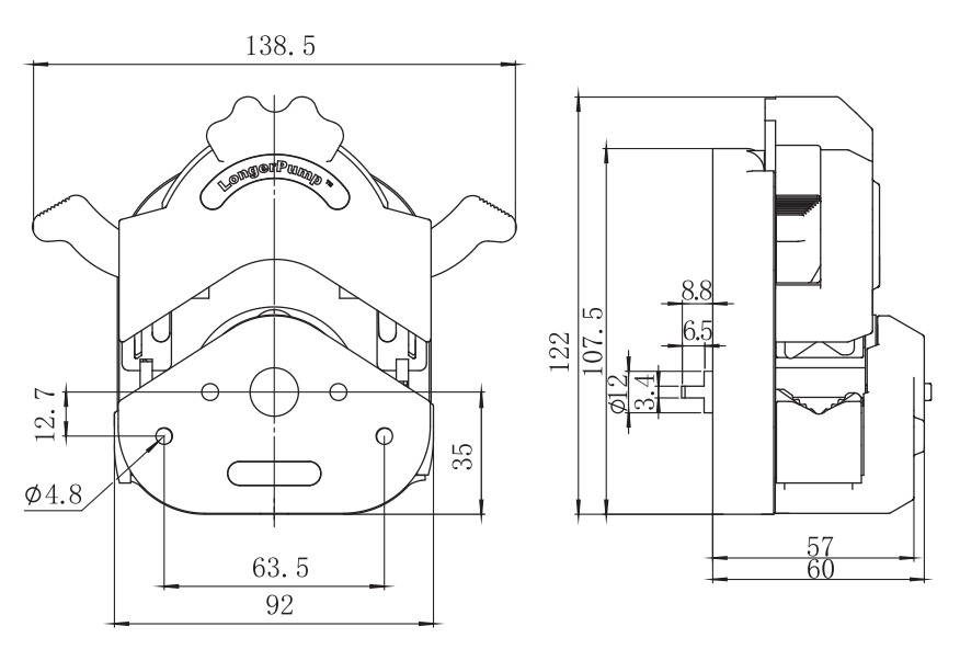
Description
The YZII Series peristaltic pump heads are designed for high flow rates, flexible tubing configurations, and exceptionally user‑friendly handling. The integrated linkage mechanism enables fast and secure loading and replacement of tubing—ideal for applications with frequent tubing changes or cleaning processes.
Both pump heads in the series support various tubing sizes, thereby covering a wide flow range. The integrated stainless steel rotor ensures stable and uniform pumping performance, high chemical resistance, and reliable continuous operation.
The YZII15 achieves a maximum flow rate of up to 2200 mL/min and is ideally suited for medium to high volume flows while maintaining a high degree of flexibility.
The YZII25 is designed for very high flow rates of up to 3000 mL/min and uses tubing with a wall thickness of 2.4 mm. This increased wall thickness offers key advantages: it enhances the mechanical stability of the tubing, improves pressure and shape resistance, and results in a longer tubing service life—especially during continuous operation or when pumping demanding media. As a result, the YZII25 is particularly suitable for applications with higher mechanical loads and increased requirements for process reliability and service life.
Specifications
Parameter
|
YZII15
|
YZII25
|
|---|---|---|
Speed range (rpm)
|
≤600 rpm
|
≤600 rpm
|
Tubing wall thickness (mm)
|
1.6
|
2.4
|
Number of rollers
|
3
|
3
|
Stackable
|
Yes
|
Yes
|
Number of channels
|
1
|
1
|
Roller material
|
Stainless steel
|
Stainless steel
|
Housing material
|
PESU
|
PESU
|
Weight (kg)
|
0.35
|
0.35
|
Compatible tubing
Pump head
|
Number of rollers
|
Tubing sizes
|
Tubing ID (mm)
|
Tubing wall thickness (mm)
|
Max. flow rate @600 rpm (mL/min)
|
|---|---|---|---|---|---|
YZII15
|
3
|
13#14#19#16#25#17#18#
|
0.8 – 7.9
|
1.6
|
2200
|
YZII25
|
3
|
15#24#35#36#
|
0.8 – 7.9
|
2.4
|
3000
|







