DG15 Series Multi‑Channel Peristaltic Pump Heads | Up to 4 channels | up to 1800 mL/min
Multi‑channel peristaltic pump heads for medium flow rates with adjustable occlusion.
Description
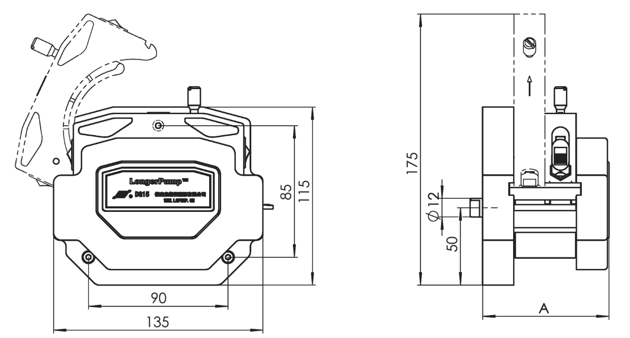
The DG15 Series multi‑channel peristaltic pump heads were specifically developed for applications with medium flow rates and parallel fluid transfer. They combine a compact design with easy tubing handling.
A key feature of the DG15 Series is the adjustable occlusion, which allows the use of tubing with different wall thicknesses. This ensures secure pumping while optimizing tubing service life. The modular concept, consisting of a base, rotor assembly, and easily replaceable cartridges, significantly simplifies maintenance and integration.
The pump heads are equipped with stainless steel rollers and POM cartridges, ensuring stable and long‑lasting performance. Depending on the version, different channel and roller configurations are available, allowing flow rate and pulsation to be optimally matched to the application.
- DG15‑14: 2 channels, 4 rollers – up to 1800 mL/min per channel
- DG15‑28: 2 channels, 8 rollers – up to 75 mL/min per channel
- DG15‑48: 4 channels, 8 rollers – up to 75 mL/min per channel
Specifications
Parameter
|
DG15-24
|
DG15-28
|
DG15-48
|
|---|---|---|---|
Speed range (rpm)
|
≤600 rpm
|
≤100 rpm
|
≤100 rpm
|
Max. flow rate (single channel) (mL/min)
|
1800
|
75
|
75
|
Number of rollers
|
4
|
8
|
8
|
Stackable
|
No
|
No
|
No
|
Number of channels
|
2
|
2
|
4
|
Roller material
|
Stainless steel
|
Stainless steel
|
Stainless steel
|
Housing material
|
POM
|
POM
|
POM
|
Weight (kg)
|
0.82
|
0.67
|
0.87
|
Compatible tubing
Pump head
|
Number of rollers
|
Number of channels
|
Tubing sizes
|
Max. flow rate (mL/min)
|
|---|---|---|---|---|
DG15-24
|
4
|
2
|
16# (2.4 mm × 1.6 mm) 25# (4.8 mm × 1.6 mm) 17# (6.4 mm × 1.6 mm) |
1800 (single channel)
|
DG15-28
|
5
|
2
|
ID ≤ 3.17 mm, wall thickness: 0.8–1 mm
|
75 (single channel)
|
DG15-48
|
5
|
4
|
13# (0.8 × 1.7 mm) 14# (1.6 × 1.7 mm) Inner diameter (ID) ≤ 3.17 mm, wall thickness: 1.0 mm |
75 (single channel)
|




